首页
>
基层政务公开
> 泗县人民政府
>
生态环境领域
>
公共服务
>
生态环境质量信息发布
信息分类:
内容分类:
生态环境质量信息发布
发文日期:
2026-04-10 15:32:37
生成日期:
2026-04-10 15:32:37
生效时间:
废止时间:
发布机构:
泗县人民政府
文 号:
名 称:
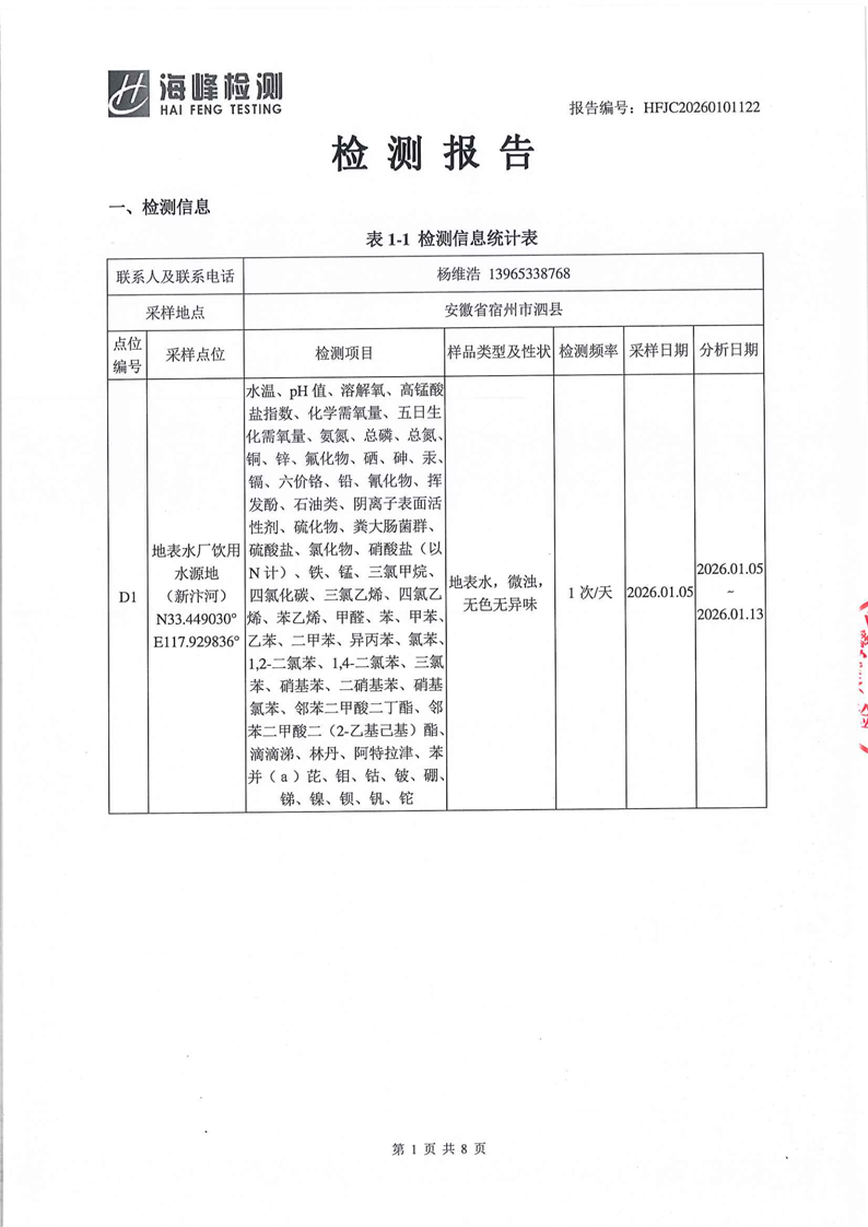
【饮用水水源水质、集中式生活饮用水水源水质】泗县2026年第一季度饮用水源地水质检测报告
关
键
词:
【饮用水水源水质、集中式生活饮用水水源水质】泗县2026年第一季度饮用水源地水质检测报告
文章来源:宿州市泗县生态环境分局
浏览量:
发表时间:2026-04-10 15:32
责任编辑:仇岸冉
字体大小:
【
大
中
小
】
打印